N Tow
Undercarriage >> Axle Components >> Attaching Hardware
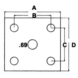
LIGHT DUTY AXLE U-BOLT PLATES
Model #: 0523
MEDIUM DUTY AXLE U-BOLT PLATES
Model #: 0530
HEAVY DUTY AXLE U-BOLT PLATES
Model #: 0547